Производство пресс-форм. Литье пластмасс.
Уфа, ул. Менделеева, д.134
УСЛУГА РЕВЕРС-ИНЖИНИРИНГА
Реверс-инжиниринг — он же обратное проектирование, он же — обратный инжиниринг — процесс воссоздания конструкторской документации (КД) на основе готового образца изделия. Проще говоря - это процесс копирования изделия по готовому образцу. При этом создается конструкторская документация (КД) , по которой в дальнейшем можно изготовить аналогичное изделие.
Сам процесс происходит путём снятия с образца размеров и изучения других его параметров. На нашем предприятии для этого используется высокоточный прибор – Romer Absolute ARM 7520 – портативная многоцелевая измерительная машина (рука). Одна их самых точных КИМ в своем классе
В рамках Петербургской технической ярмарки, которая прошла в апреле 2022 года реверс-инжиниринг был выделен как один из основных трендов сегодняшнего дня. Когда многие производители не хотят зависеть от ограничений и сторонних разрешений, и на кону финансовая стабильность предприятия, то создание аналогов импортных деталей становится очень актуальным.


СОКРАЩЕНИЕ ЗАТРАТ
снижение стоимости изготовления изделия, при производстве партиями или сериями, локализация производства, оптимизация логистики, снижение таможенных затрат и другие факторы.
ПРЕИМУЩЕСТВА РЕВЕРС-ИНЖИНИРИНГА
МНОГОКРАТНОСТЬ ВОСПРОИЗВЕДЕНИЯ
по документации, полученной в ходе реверс-инжиниринга, изделие можно изготавливать неограниченное количество раз на любых производствах в зависимости от вашей потребности
НАДЁЖНОСТЬ
ПОСТАВОК

от санкционных ограничений, скачков курсов валют, одного поставщика
ВОЗМОЖНОСТЬ ДОРАБОТКИ ПОД СВОИ НУЖДЫ
(дизайна, технологичности отдельных узлов или деталей в целом, унификации и др.). т.к. после проведения реверс-инжиниринга у Заказчика остаются модели и чертежи, на основе которых можно выполнить доработку изделия, если это потребуется, а не создавать с нуля.
Предоставление образца (причем можно предоставить часть изделия, наши инженеры восстановят деталь полностью)
Опытный образец (тестирование, доработка)
Проведение замеров высокоточным оборудованием
Корректировка КД, при необходимости
Изготовление партии (мы предлагаем услуги по отливке партии изделий из пластика, разработку пресс-форм для отливки деталей)
ОСНОВНЫЕ ЭТАПЫ ОБРАТНОГО ИНЖИНИРИНГА
Построение 3D-модели
Разработка чертежей
1
2
3
4
5
6
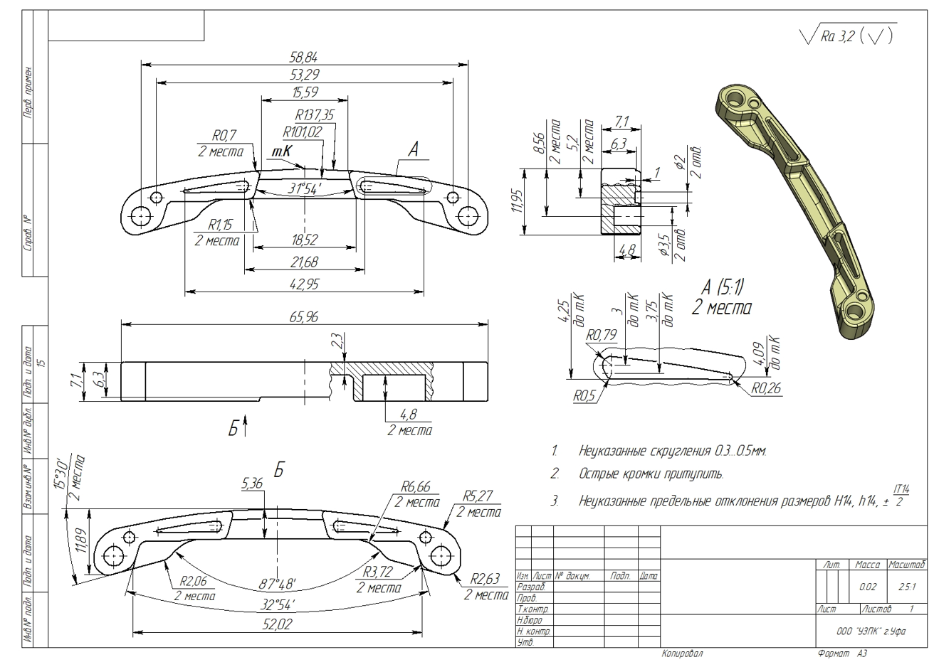
От Заказчика получена часть детали. Поставлена задача по восстановлению и созданию конструкторской документации для изготовления пресс-формы и партии деталей.
Далее работа по восстановлению недостающих фрагментов
Проведено сканирование Romer Absolute ARM 7520
КОНСТРУКТОРСКАЯ ДОКУМЕНТАЦИЯ
РЕВЕРС-ИНЖИНИРИНГ В РАБОТЕ
восстановленная деталь
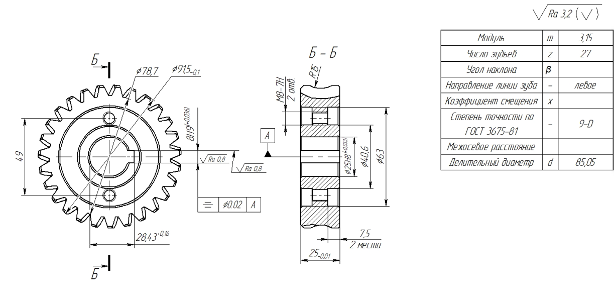
От Заказчика получен образец шестерни червячного редуктора, который в России не производится. Поставлена задача по воссозданию конструкторской документации на изделие.

С помощью Romer Absolute ARM 7520 производится сканирование по всем параметрам.

Создается модель, восполняются недостающие места
КОНСТРУКТОРСКАЯ ДОКУМЕНТАЦИЯ

ДОПОЛНИТЕЛЬНые услуги
После получения КД вы можете воспользоваться услугой и заказать у нас прессформу для отливки партии ваших воссозданных деталей из пластика.